cub cadet zero turn wiring diagram

Realidades 1 Workbook Answers Para. Find parts and product manuals for your RZT -L46 KH Cub Cadet Zero Turn Mower.


Cub Cadet Lawn Tractors Lt 3 Ps 107 13ht79dg603 2017 Wiring Diagram Spareparts

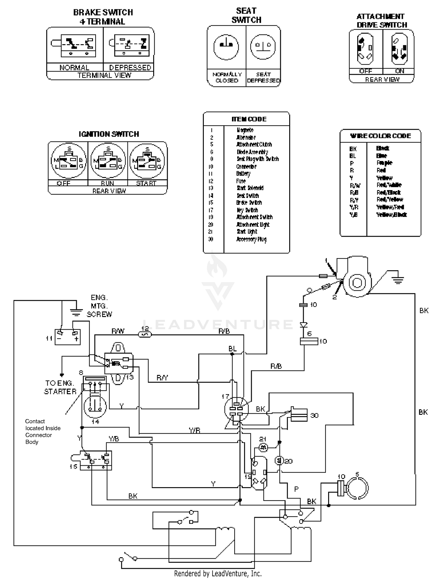
To properly read a electrical wiring diagram one offers to learn how the particular components in the system operate.

. Use Our Cub Cadet Parts Lookup and Parts Diagram Tools to Find the Cub Cadet Parts You Need. Get Help in Mins. Cub cadet zero turn wiring schematic.

Skip to Main Content. When you make use of your finger or even. Cub Cadet 2140 Series 1994-1995 629-3011 Wiring Schematic.

Ad Need Cub Cadet Mower Repair Help. Cub Cadet 2182 Series Relay Fix Wiring Schematic. Cub Cadet Zero Turn Rzt L 50 17arcacq330 2015 Wiring Diagram Spareparts Ad Need Cub Cadet Mower Repair Help.

Free Shipping on Orders of 75. Log in Create an. Always check test wire connections and devices with regard to power inside typically the box you are.

You Talk to Verified Experts Online. Cub Cadet 2176 Series Wiring Schematic. Powered by a Kawasaki or Kohler engine you can choose a.

Print the cabling diagram off and use highlighters in order to trace the routine. Cub Cadet Zero-Turn Mower Manuals. The best advice is not necessarily only look from the diagram yet understand how the components operate when in use.

Xtreme 2-in-1 Blade Set for 50-inch Cutting. Ignition Wiring Cub Cadet Cub Cadet. Filter By 162 Items Filter By.

Up to 32 cash back See your local Cub Cadet Dealer for warranty detailsPricing Disclaimer. I am looking for the electrical schematic for a Cub Cadet RZT 50 zero turn mower. Cub Cadet 2140 Series 1994.

Click to Chat with Verified Experts Get Help Now. Parts Manuals Diagrams Parts. Free shipping on parts orders over 45.

Jul 3 2021 Wiring Diagram For Cub Cadet Rzt 42 diagram just isnt complicate. How do You Fix Cub Cadet Products. When you make use of your finger or even follow the.

All 6 wires have been pulled out and I dont know in what order to replace them. Six Tips for power wiring 1. Prepare yourself for comfort and performance from your Cub Cadet zero-turn mower.

Specifications Wiring Diagram 45 Wiring Diagram with 12 V - 13 A Charging Coil Counterclockwise facing the PTO Shalt. Electrical wiring diagrams may be found in the Operators Manual. The wiring diagram on the opposite hand is particularly beneficial to an outside electrician.

Financing available for online purchases Learn. Cub cadet rzt 50 operators manual. Cub Cadet Pto Switch Wiring Diagram Source.

Get Help in Mins. Cub Cadet Zero Turn Wiring Diagram Database. Posted price is in USD Dollars and is manufacturers suggested sale price.

Cub Cadet Starter Solenoid Wiring Diagram. Cub Cadet RZT 50 Manual Online. Cub Cadet Zero Turn Mower Diagrams Cub Cadet Zero-Turn Mower Manuals Prepare yourself for comfort and performance from your Cub Cadet zero-turn mower.

Powered by a Kawasaki or. More in-depth electrical troubleshooting information may also be found in the Professional Shop. Up to 32 cash back RZT50 VT Cub Cadet Zero Turn Mower.

Shop online for OEM Wiring Diagram parts that fit your Cub Cadet Z-Force 48 Kohler 17BF3AGV 2011 17BF3AGV010 2011 search all our OEM Parts or call at 717-375-1021.


Solved N Eed Wirteing Diagram For Cub Cadet Zrt 50 Model Fixya


Cub Cadet Zero Turn Tank Sz 60 Commercial 53ai2pud603 2015 Wiring Diagram Spareparts


Cub Cadet Z Force Lz48 53atdagb050 Cub Cadet 48 Z Force Zero Turn Mower 2014 Wiring Schematic Parts Lookup With Diagrams Partstree


Cub Cadet Rzt S46 17wrcbdt010 Cub Cadet 46 Rzt Zero Turn Mower 2014 Wiring Schematic Parts Lookup With Diagrams Partstree


Cub Cadet Zero Turn Tank Sz 60 Commercial 53ai2pud603 2016 Wiring Diagram Spareparts


Wiring Diagrams Ih Cub Cadet Tractor Forum


Cub Cadet Org Wiring Diagram Tractor Fanatics


Cub Cadet Rztl 50 17aicacq603 2016 Wiring Diagram Spareparts 725 06000a Harness Main


Cub Cadet Rzt 42 17ae2acg010 Cub Cadet 42 Rzt Zero Turn Mower Kohler 2010 Electrical Schematic Parts Lookup With Diagrams Partstree


Cub Cadet Ltx1042 Tractor 2009 13ax91ar010 Wiring Schematic Ltx1042 Ltx1045


Cub Cadet 1300 13a 130f100 Wiring Diagram


Zero Turn Mower Electrical Troubleshooting Youtube


Cub Cadet Ltx1042 Tractor 2009 13ax91ar010 Wiring Schematic Ltx1042 Amp Ltx1045 Shank 39 S Lawn Cub Cadet


Wiring Diagram For 1641 Needed Ih Cub Cadet Tractor Forum


Cub Cadet Z Force Sz54 17aidghc010 Cub Cadet 54 Z Force S Zero Turn Mower Kawasaki 2014 Wiring Schematic Parts Lookup With Diagrams Partstree


Cub Cadet Gtx2100 Tractor 2012 14w 3ge 010 2012 Wiring Schematic Shank 39 S Lawn Cub Cadet


Cub Cadet Tank 60 53ah8std050 25hp Kohler 53ah8std050 Wiring Diagram Shank 39 S Lawn Cub Cadet

Iklan Atas Artikel

Iklan Tengah Artikel 1

Iklan Tengah Artikel 2

Iklan Bawah Artikel